1 / 0










Controllare la compatibilità dell'apparecchiatura
Come trovare il tuo E-Number
Il numero di modello (numero E) si trova sulla targa tipo del dispositivo.
Specifiche
Può essere combinato con cappucci telescopici serie 200.
Il telaio telescopico retrattile brevettato permette la cappa a scomparire completamente nel cabinet superiore.
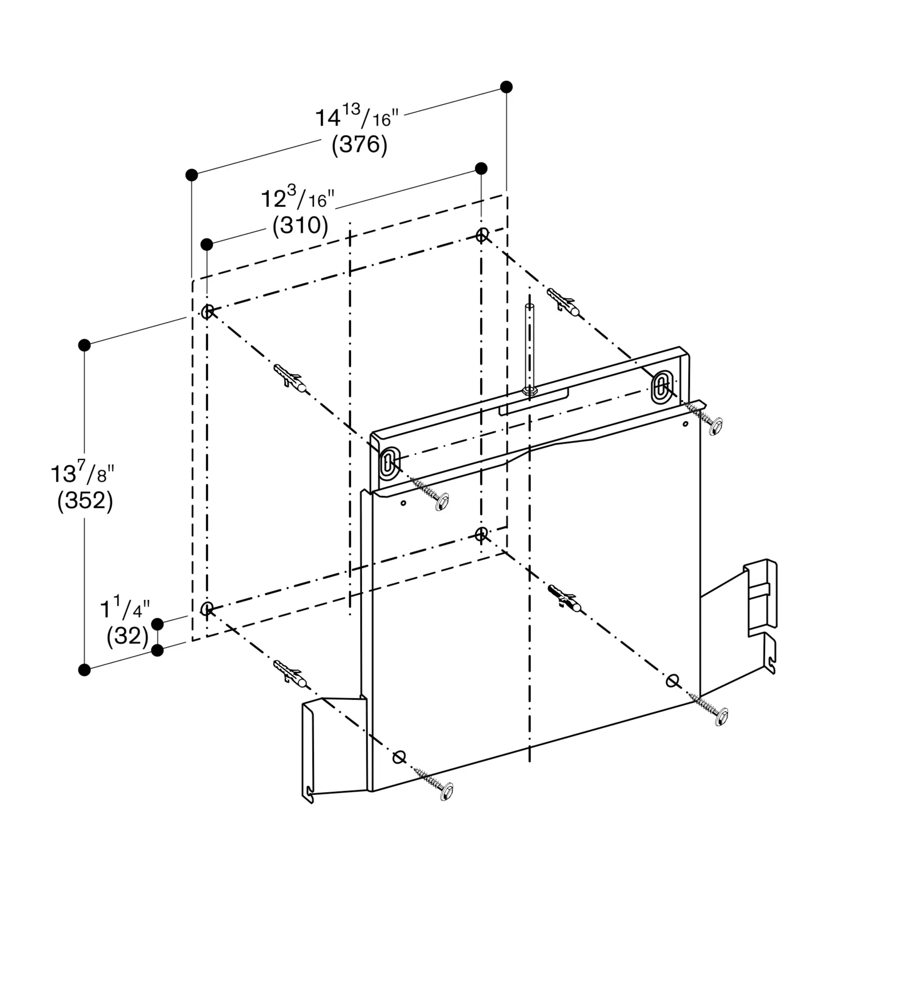
Montaggio direttamente sulla parete della cucina o rinforzato cabinet superiore.
Per l'installazione in cabinet alto.
La profondità del cabinet superiore insieme nel kit di sospensione è di 335 mm.
Quando si installa un muro console> 5 mm, quindi riempire lo spazio al telaio e abbassamento regolare la profondità del pensile.
L'installazione di abbassare quadro richiede l'uso di un tubo flessibile.