Produkten är inte längre tillgänglig
1 / 0















+ 2
Produkten är inte längre tillgänglig
Produkten är inte längre tillgänglig
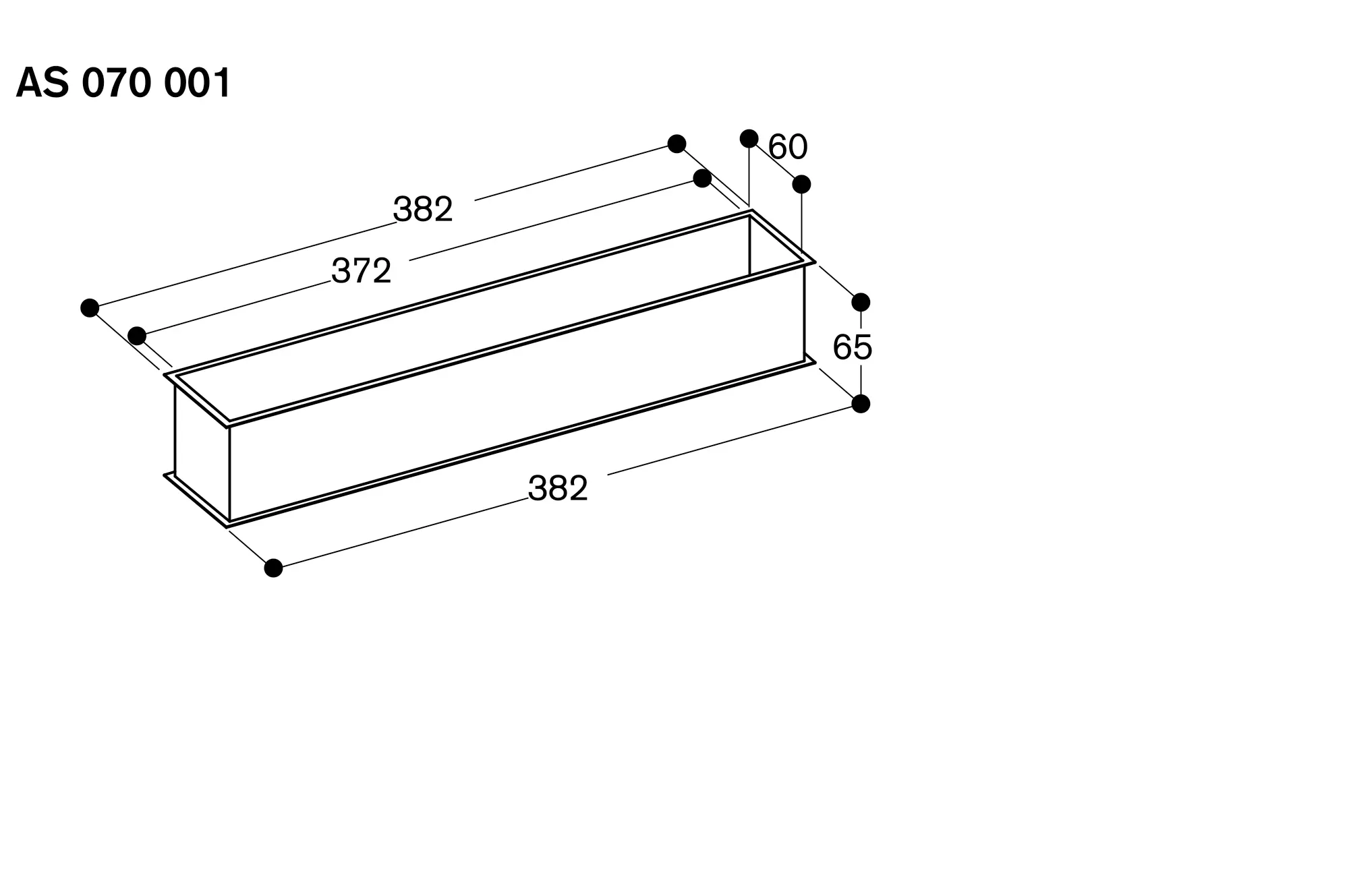
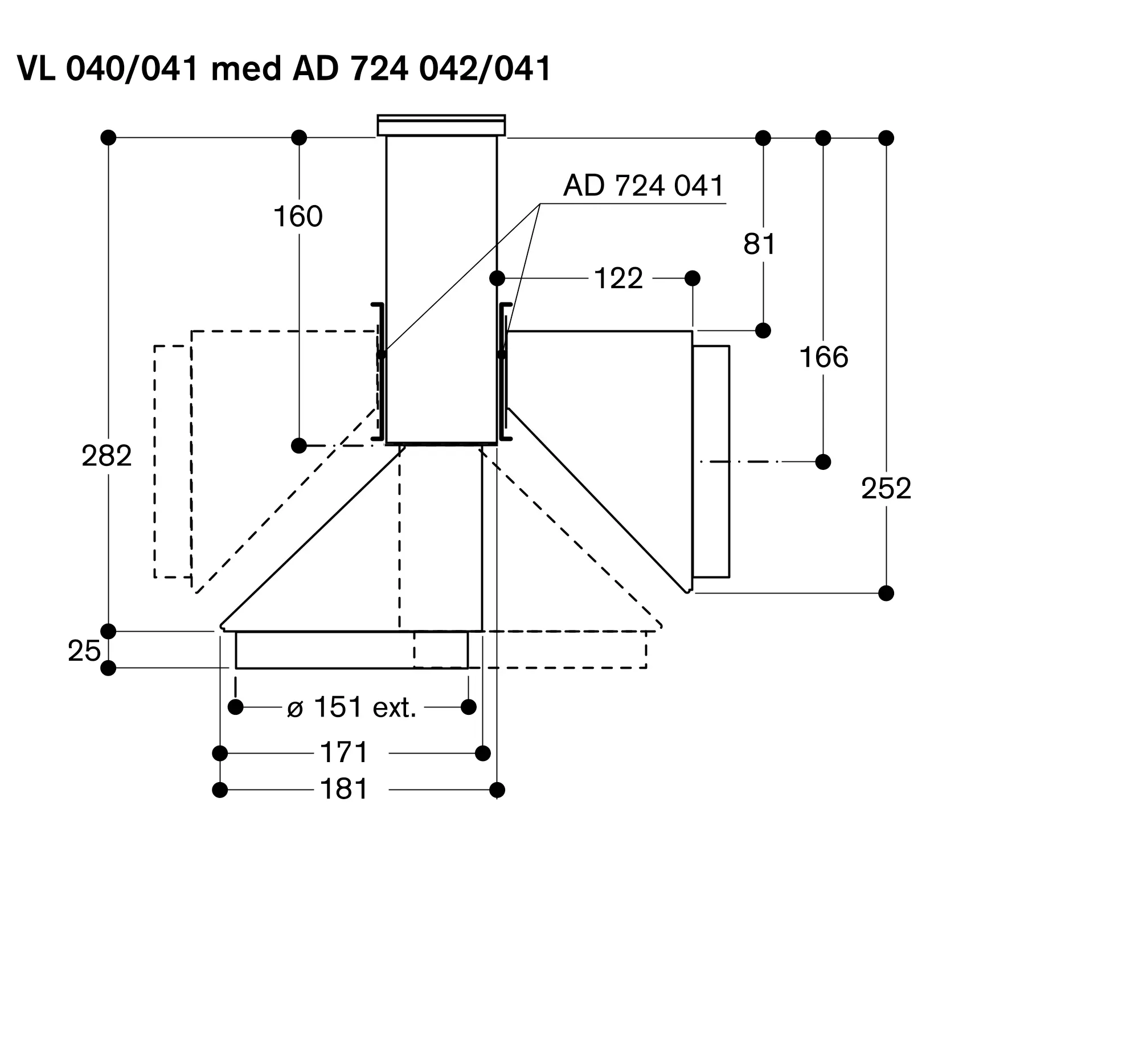
Teknisk översikt
Installationstyp
Inbyggd
Bredd
10 cm
Cook connect
Nej
Klimatkontroll
Nej
Frånluftsdrift/Recirkulation
Både frånluftsdrift och cirkulation (tillbehör köpes separat)
Kapacitet frånluft
440 m³/h