1 / 0






Tuotteen edut
Tuotetiedot
Kalusteisiin sijoitettava, korkeus 14 cm
Hygieeninen vakumointikammio ruostumatonta terästä, käyttökorkeus 80 mm
3 tyhjiötasoa kammion sisäpuolella, max 99 %
3 vakumointitasoa kammion ulkopuoliseen vakumointiin, max 90%
Automaattinen laitteen ulkopuolella tapahtuvan tyhjiöpakkaamisen tunnistus
Vetimetön laatikko
Vaimennettu sulkeutuminen
Vakumointi sous vide -kypsennystä varten
Marinoi ja maustaa nopeasti
Vakumointi pidentää tuotteiden säilyvyyttä
Astioiden vakumointi kammion ulkopuolella
Nesteiden vakumointi kammion ulkopuolella
Kosketusvalitsimet
Vedinsyvennys laatikon etuosassa alhaalla
Nettovolyymi 7litraa
Maksimi kapasiteetti 10 kg
Vakuumipussien koko maks. 240 mm x 350 mm (Leveys x Pituus).
3 saumaustasoa eri vahvuisille materiaaleille
Irrotettavassa saumauspalkissa tarttumaton pinta
Turvalasikansi avautuu automaattisesti vakumoinnin jälkeen.
Mukana 44 mm korkea irrotettava vakumointialusta
Vakuumikammion käyttöala L 210 mm x P 275 mm
Vakumointipumpun kuivausohjelma
Varoitustoiminto
Laitteen ovipaneelin pinta kohoaa kalusterungosta 47 mm.
Kätevä kalvo estää nesteiden takaisinvirtauksen
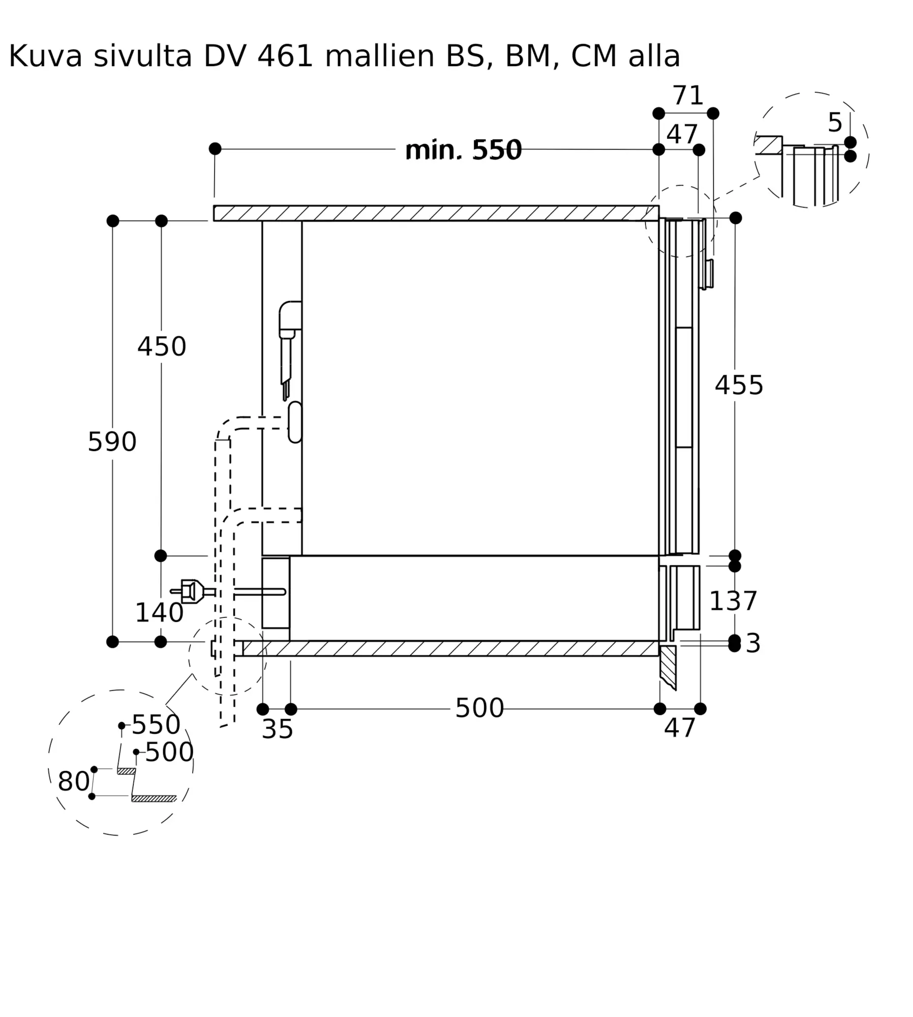
BS/BM/CM -laitteet asennetaan suoraan DV:n yläpuolelle 59 cm:n syvennykseen ilman välihyllyä.
Voidaan sijoittaa työtason alle tai korkeaan kaappiin.
Sähköpistoke voidaan suunnitella laitteen taakse.
Kokonaisliitäntäteho 0.32 kW
Liitosjohto 1.50 m, pistoketyyppinen