1 / 0










Find en lokal forhandler
Find en lokal forhandler i din nærhed
Find en lokal forhandler
Find en lokal forhandler i din nærhed
Kontroller apparatets kompatibilitet
Sådan finder du dit E-nummer
Modelnummeret (E-nummer) er placeret på typepladen på din enhed.
Specifikationer
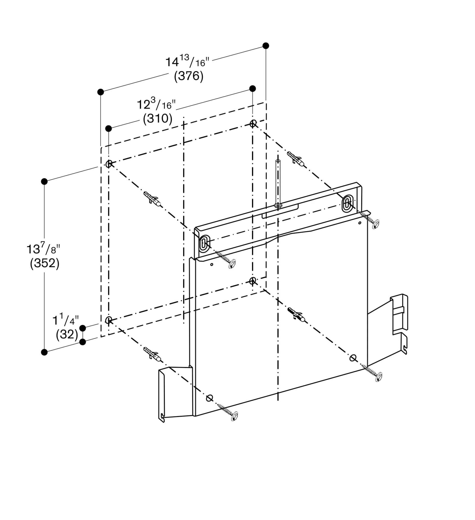
Kan kombineres med flade emfang i serie 200
Den patenterede nedsænkningsramme lader det flade emfang forsvinde helt i overskabet
Til montering direkte på væggen eller i forstærket overskab
Den ønskede dybde af overskabets korpus sammen med sænkerammen måler 335 mm
Til montering i overskab
I kombination med et panel på bagvæggen på >5 mm skal nedsænkningsrammen justeres på linje med det og hulrummet tilpasses tilsvarende
Til installation af nedsænkningsrammen kræves en fleksiblel slange