200 series warming drawer Gaggenau MetallicWSP221710
WSP221710
Find a showroom or a local dealer
Technical Overview
Overall Appliance Dimensions (HxWxD) (in)
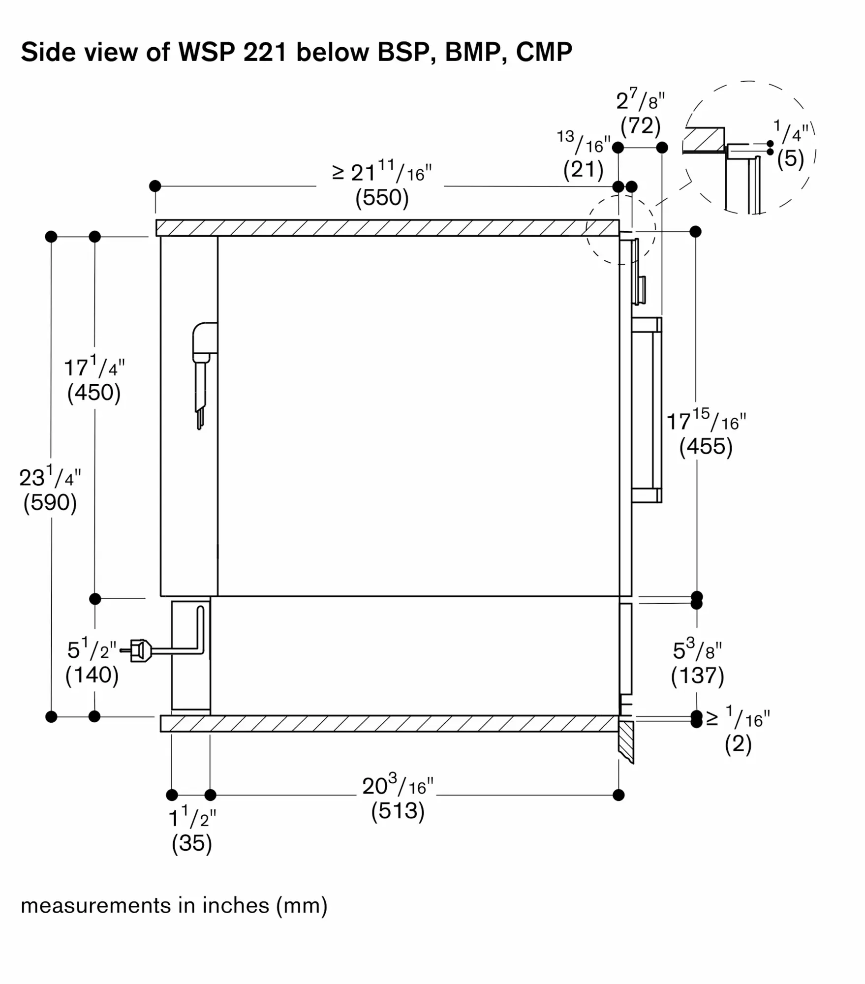
5 1/2" x 23 1/4" x 21 9/16"
Required Cutout Size (HxWxD) (in)
5 1/2" x 22 1/16" x 21 5/8"
Additional information
Flush installation
Handleless drawer.
Push-to-open function.
Hygienic stainless steel interior with glass bottom
4 power levels in the temperature range 40 °C to 80 °C (glass surface)
Keeps food and drinks warm, also for preparing and cooking meals
Defrosting of meals/proofing of yeast dough.
Preheating of small beverages.
Keeping meals warm/slow cooking.
Warming of dishes.
Rotary knob operation.
Volume capacity: Dinner service for 6 people including ø 24 cm plates and soup bowls, additional bowls and a serving dish depending on size.
Max. load 55 lbs.
Usable interior dimensions
W 18 7/16" x H 3 5/8" x D 18".
Heating under glass bottom for easy cleaning.
Convection fan for fast, even heat distribution when warming dishes.
Status display, visible in the glass front.
Glass bottom made of safety glass.
Necessary lateral gap between appliance front and furniture panel of min. 3/16".
The door panel front of the appliance extends 13/16" from the cabinet front.
Installation of BSP/BMP/CMP directly above WSP in 23 1/4" niche without an intermediate shelf in between.
The electric outlet can be planned behind the appliance.
Total rating 0.81 KW.
Electrical connection cable 71" (1.80 m), hardwire required.




