400 series warming drawer Stainless steel behind glassWS463710
WS463710
1 / 0






400 series warming drawer Stainless steel behind glassWS463710
WS463710
Find a showroom or a local dealer
400 series warming drawer Stainless steel behind glassWS463710
WS463710
Find a showroom or a local dealer
Additional information
Perfect for a side-by-side combination of of 30" single oven and 24" Combi-steam oven, speed microwave oven or a 24" espresso machine
Handleless drawer.
Bright interior light
Soft closing system
Hygienic stainless steel interior with glass bottom
4 power levels in the temperature range 40 °C to 80 °C (glass surface)
Keeps food and drinks warm, also for preparing and cooking meals
Defrosting of meals/proofing of yeast dough.
Preheating of small beverages.
Keeping meals warm/slow cooking.
Warming of dishes.
Rotary knob operation.
Recessed grip at the front bottom center of the drawer.
Volume capacity: Dinner service for 8 people including ø 9 1/2 " (24 cm) plates and soup bowls, additional bowls and a serving dish depending on size.
Heating under glass bottom for easy cleaning.
Convection fan for fast, even heat distribution when warming dishes.
Status display, visible in the glass front.
Glass bottom made of safety glass.
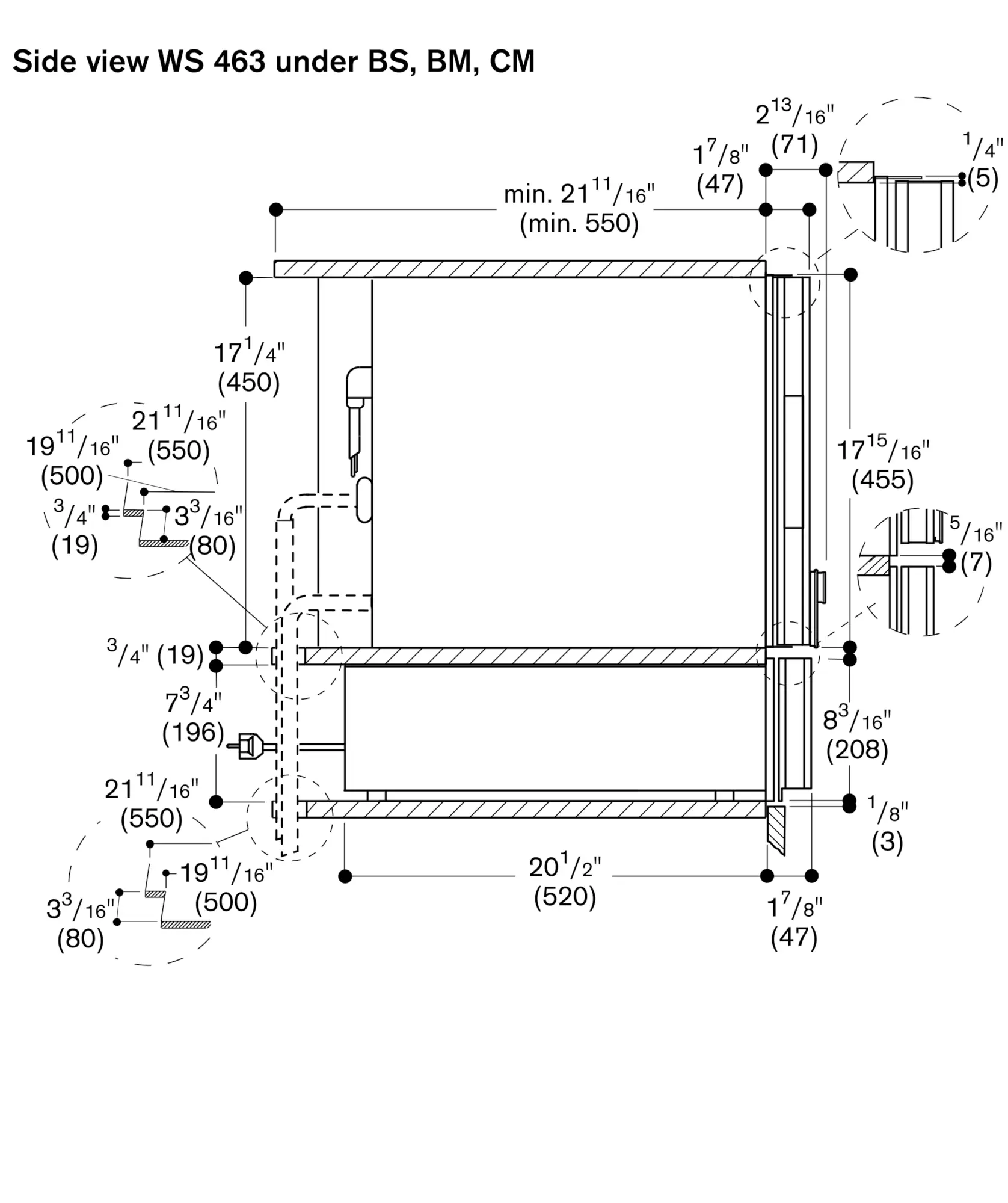
The front of the appliance extends 1 7/8 " from the furniture cavity.
Installation of BO/BS above WS with dimensionally stable intermediate shelf.
Installation of BS/BM/CM above WS in 23 3/16 " (66,5 cm) niche with intermediate floor (gap of 7 mm between WS and BS).
The electric outlet can be planned behind the appliance.
Total rating 0.81 KW.
Total Amps: 10 A.
120 V / 60 Hz.
Connection cable 6' with plug.