200 series Pull-out Hood 36'' Stainless SteelAF210791
AF210791
1 / 0










200 series Pull-out Hood 36'' Stainless SteelAF210791
AF210791
Find a local Dealer
200 series Pull-out Hood 36'' Stainless SteelAF210791
AF210791
Find a local Dealer
Specifications
Unobtrusive flat kitchen hood design thanks to integrated glass panel in the steam screen
Especially quiet operation thanks to integrated sound insulation
Steam screen extends by touching the handle bar
Especially high air output
Dimmable, neutral white LED light for ideal illumination of the whole cooktop
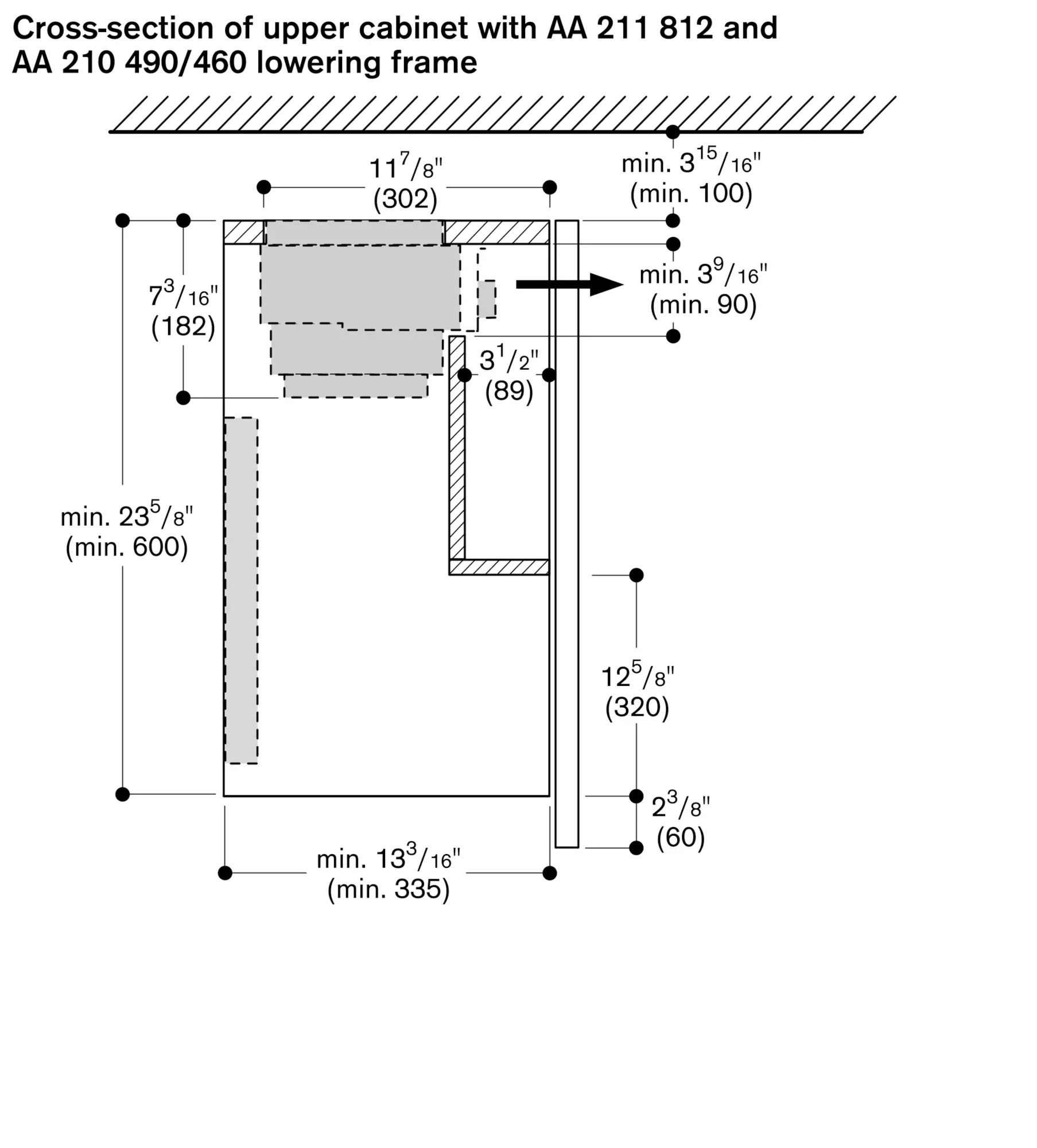
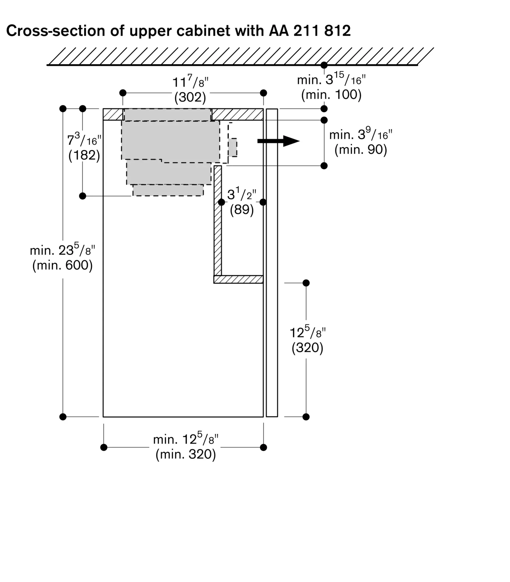
The patented lowering frame allows the flat kitchen hood to disappear completely into the upper cabinet
Air extraction or air recirculation system
Air recirculation module with activated charcoal filter: quiet and highly efficient air recirculation solution with odour reduction as in air extraction mode and long replacement intervals
Air extraction:
622 / 875m³/h.
64 / 71dB (A) re 1 pW.
51 / 58 dB (A) re 20 μPa.
Odour reduction air recirculation 94 %.
Controls at front.
3 electronically controlled power levels and 1 intensive mode.
Grease filter saturation indicator.
Stainless steel grease filter, dishwasher-safe.
Neutral white LED light (3600 K), continuously dimmable.
Illuminance 441 lx.
Light can be switched on separately.
Integrated sound insulation for quiet operation.
The fan is activated when the steam screen is extended.
Patented technology for extension of the steam screen.
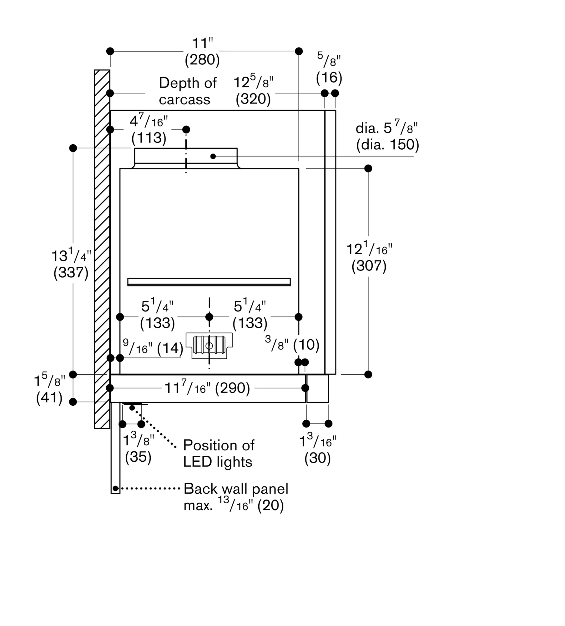
Extendable steam screen 198 mm.
Airflow-optimised interior for efficient air circulation and ease of cleaning.
Patented easy mounting system for simple installation.
The package includes an one-way flap.
Patented air recirculation module with activated charcoal filter can be installed in the upper cabinet. The activated carbon filter can be changed from the front by simply pulling out the activated charcoal filter.
The door of the upper cabinet must be fully open in order to change the activated charcoal filter.
To be installed in an upper cabinet without base.
The required cavity depth of the upper cabinet together with the lowering frame measures 13 3/16" (335 mm).
The required cavity height of the upper cabinet together with the lowering frame measures 600 mm.
Clearance above gas appliances min. 65 cm(more than total load gas 12 kW min. 70 cm).
Clearance above electric appliances min. 43 cm.
When installing a ventilation hood with air extraction mode and a chimney-vented fireplace, the power supply line of the ventilation appliance needs a suitable safety switch.
Total rating: 65 W.
Total amps: 10 A.
120 V / 60 Hz.
Connecting cable 0.9 m, pluggable.