1 / 0






Specifications
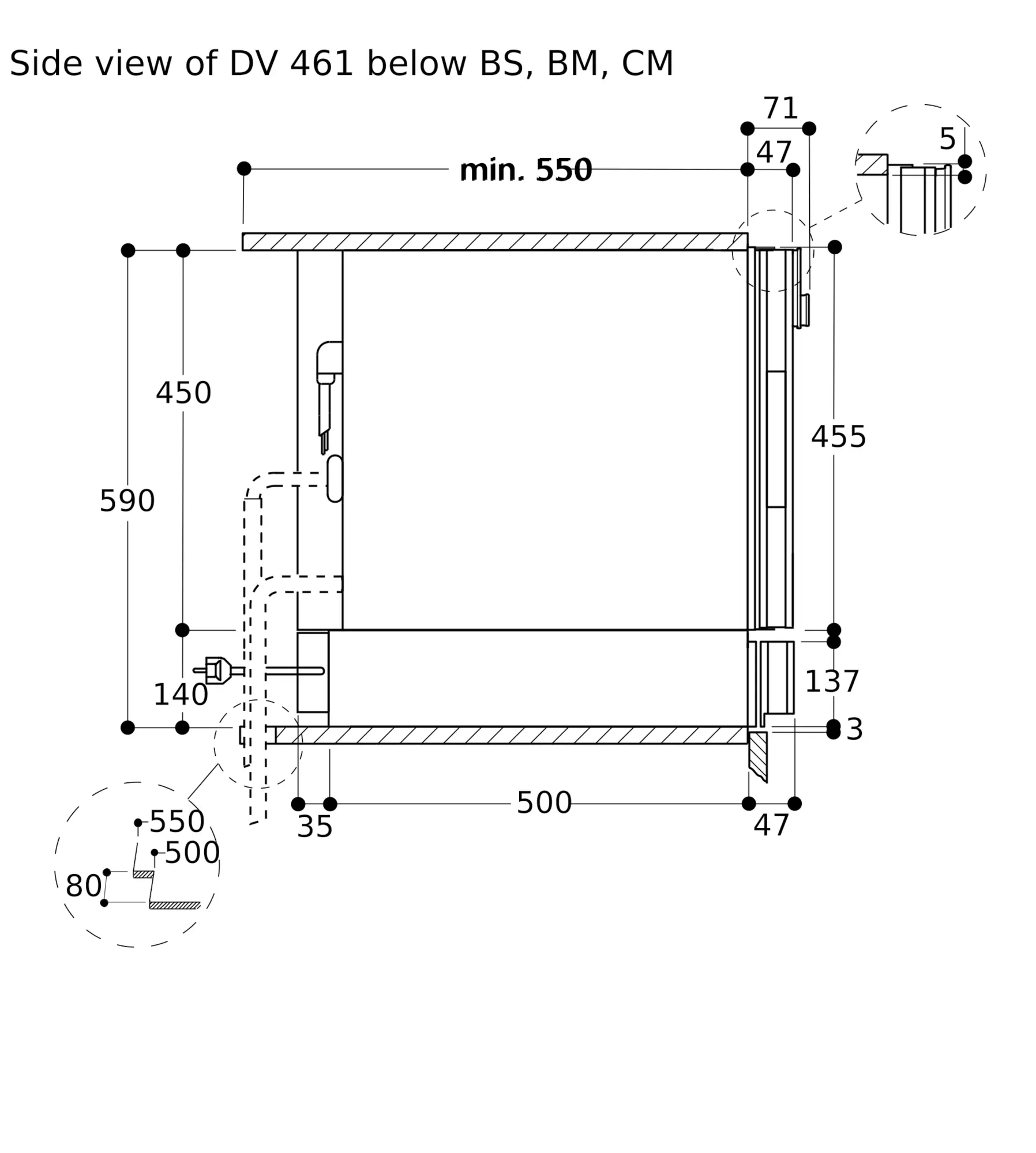
Integrable in 14 cm high niche
Hygienic stainless steel vacuuming chamber, applicable height up to 80 mm
3 vacuuming levels for vacuuming in the chamber, max. 99%
3 vacuuming levels for vacuuming outside the chamber, max. 90%
Automatic connection recognition for vacuuming outside the chamber
Handleless drawer
Cushioned closing system
Vacuuming for sous-vide cooking.
Vacuuming for fast marinating and flavouring.
Vacuuming for extended storage.
Vacuuming of vacuuming containers outside the chamber.
Vacuuming of liquids in bottles outside the chamber.
Touch key operation.
Recessed grip at the front bottom of the drawer.
Net volume 7 litres.
Capacity load max. 10 kg.
Maximum size of vacuuming bags W 240 mm x L 350 mm.
3 heat-sealing levels for different strengths of bag material.
Sealing bar, non-stick coating, removable.
Safety glass cover, opens automatically after vacuuming.
Raised vacuuming platform, 44 mm, deployable.
Utility space in vacuuming chamber, W 210 mm x L 275 mm.
Membrane for avoiding reflow of liquids during vacuuming outside the chamber.
Drying programme for vacuuming pump.
Warning function.
The panel surface of the appliance extends 47 mm from the furniture cavity.
Installation of BS/BM/CM directly above DV in 59 cm niche without intermediate floor.
Built-in under worktop or in single niche.
The socket can be planned behind the appliance.
Total connected load 0.32 KW.