1 / 0















+ 2
Teknik Bilgiler
Renk
Paslanmaz çelik
Ana malzeme
Paslanmaz çelik
Kostrüksiyon şekli
Ankastre
Kademe Seviyesi
3 kademe + yoğun kademe
Ürün Genişliği
90 cm
Belirtimler
Tüm Gaggenau pişirme cihazları ile kombine edilebilir tezgah havalandırması, kullanılmadığında tamamen tezgah boşluğuna gömülebilir.
Dimmerli LED alan aydınlatması, tüm pişirme yüzeyi optimal şekilde aydınlatılabilir.
Emme motorları le kombine edildiğinde erişilebilen maxium hava emiş kapasiteleri için planlama notlarını inceleyiniz.
Ses seviyesi cihazın ankasre edilme durumuna göre değişkenlik gösterebilir.
3 elektronik emiş kademesi +1 yoğun kademe
Yoğun kademe
Aralıklı havalandırma
Ardıl havalandırma işlevi (performans kademesi isteğe göre seçilebilir)
Yağ filtresi doluluk göstergesi.
Metal yağ filtresi bulaşık makinesinde yıkanabilir.
LED Alan aydınlatması
Hava çıkış bölgelerinde değişken kapatma kapakları
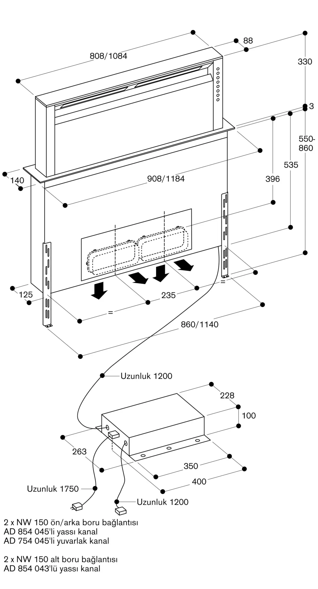
Bağlantı çıkışı cihaz içinden çıkmaz
2 adet vario 400 serisi yada 3 adet vario 200 serisi ocak veya 92 cm'ye kadar olan ocak kombinasyonları için geliştirilmiştir.
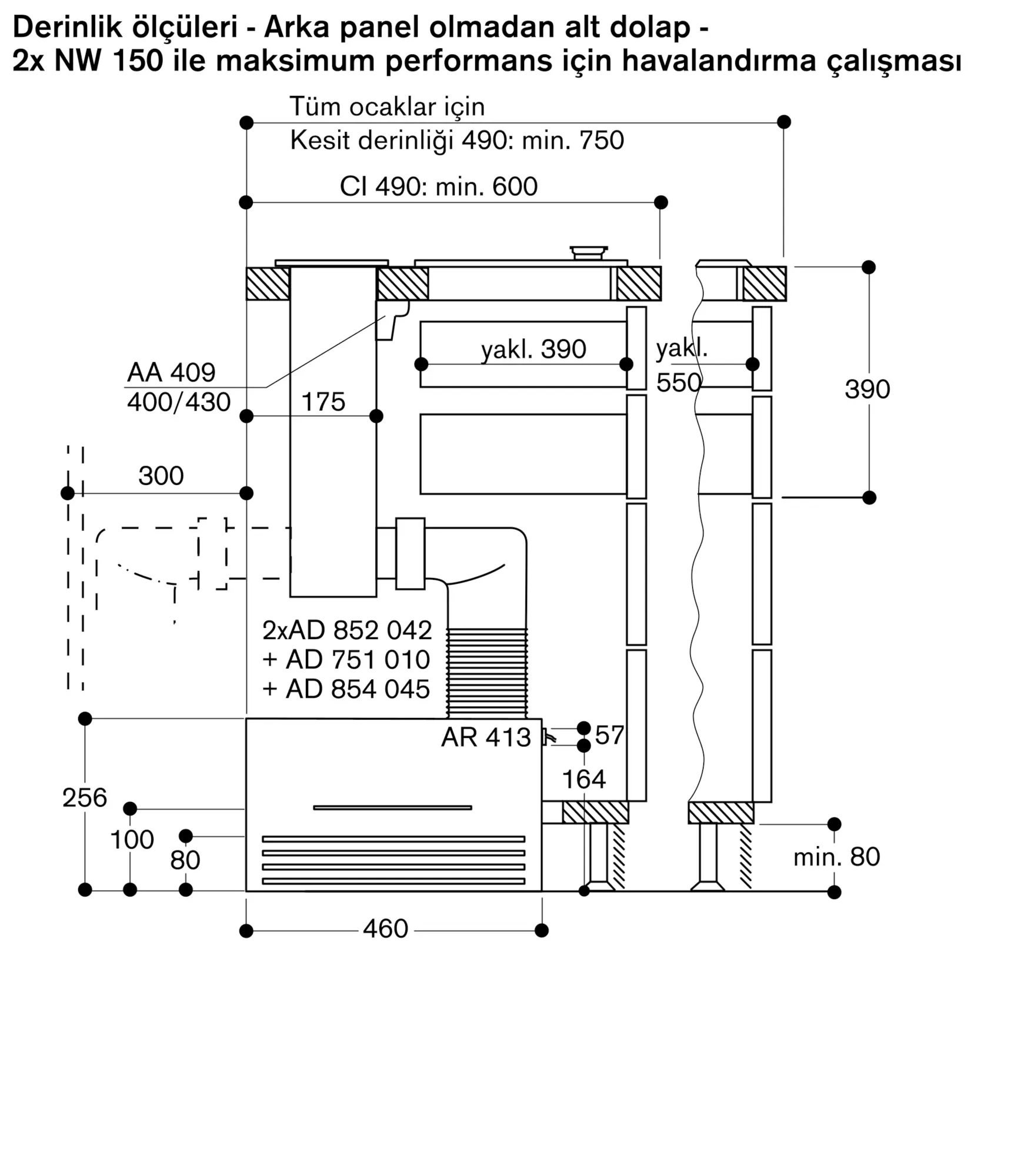
CI 490 ocakla kombine edildiğinde tezgah derinliği 60 cm olarak kullanılabilir.
Ocak yeri kesiminde, AL 400 ile ocak arasında zayıflayan tezgah, güçlendirme kirişi ile desteklenmelidir. Bu işlem için AA 409-400/430 kullanılabilir.
AT400 fırın ile kombine edildiğinde kabın sıcaklığının artmaması için havalandırma menfezesinin önü açılmalıdır.
Davlumbaz ile paslanmaz çelik hava kanalının uyumlu olması için çelik temizleyici ile parlatılması önerilir : ( 280 satine fırçalı çelik )
Çelik yüzey 1.4301 ve IIIC ve çekirdek 280'e göre fırçalanmıştır.
Hava dolaşım için:
Baza üzerindeki havalandırma menfezi istenilen noktada olabilir.
Bzadaki havalandrıma boşluğu mümkün olduğunca büyük tutulmalıdır.Min 720 cm² kesit alanı.Havalandırma boşluğunun konumu istenilen noktada yapılabilir.
VR/VP cihazlar ile kombinasyon düşünüldüğünde, planlama kılavuzu dikkate alınmalıdır.
Maksimum uzunluktaki kanal bağlantısında Gaggenau AD 8... kodlu düz boru kullanılmalıdır veya Naber sistem dikdörtgen boru düşünülmelidir.Diğer boru sistemleri önerilmez.
Davlumbaz hava çıkışlı olarak monte edildiğinde temiz hava girişi yetersiz mutfakta risk oluşacağından (alçak basınç riski) davlumbaz besleyicisi, temiz hava girişini kontrol eden güvenlik şalterine ihtiyaç duymaktadır.
Fişli bağlantı kablosu 1.7 m